Hallo RIDER, hallo Wolle,
vielen lieben Dank für Eure sehr hilfreiche Antworten!
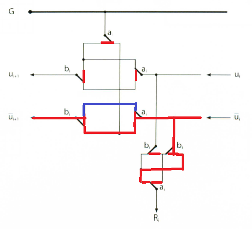
Der springende Punkt für mich war natürlich, dass a und b über Schalter eingegeben werden. Und es hilft auch zu wissen, was R und G überhaupt ist.
Ich bin mir immer noch nicht ganz scher, ob ich das richtig verstehe.
Ein paar Beispiele:
- b=1, a=0, u=0 => R=1, U_i+1=0
- b=1, a=0, u=1 => R=0, U_i+1=1
Hier verstehe ich nicht, warum beim Schalter b unten links (über R) der "rote" und nicht der "blaue" Weg genommen wird.
- b=1, a=1, u=0 => R=0, U_i+1=1
Hier verstehe ich nicht: − warum R auf 0 bleibt
Kanntet Ihr mir das noch mal erklären?
Noch mal danke und viele Grüße
Julia


